Отгрузка подоконников под распил и колеровка ЛКМ приостановятся с 12:00 29 апреля до 3 мая включительно
Узнать
x

Загрузка

...
Вверх

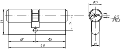
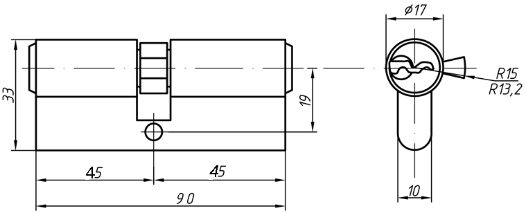
Цилиндр профильный ELEMENTIS 45/45, 5 ключей, никелированный

Цилиндр профильный ELEMENTIS  45/45, 5 ключей, никелированный Изображение
Россия
Цилиндр профильный ELEMENTIS  45/45, 5 ключей, никелированный Изображение 1 Цилиндр профильный ELEMENTIS  45/45, 5 ключей, никелированный Изображение 2 Цилиндр профильный ELEMENTIS  45/45, 5 ключей, никелированный Изображение 3 Цилиндр профильный ELEMENTIS  45/45, 5 ключей, никелированный Изображение 4

Артикул: ELM0522.67

0 отзывов

в наличии
Характеристики:
Бренд
Elementis
Тип товара
Двусторонние ключ-ключ
Размер
45-45
Комплектация:
Артикул
Название
Цена
Количество
Сумма
Характеристики:
Бренд
Elementis
Тип товара
Двусторонние ключ-ключ
Размер
45-45

Внимание! Действительный цвет и текстура товаров могут незначительно отличаться от их изображений, представленных на сайте интернет-магазина.

Как правильно выбрать профильный цилиндр?


Как правильно выбрать профильный цилиндр?

Профильные цилиндры имеют стандартный профиль поперечного сечения и различаются только по внешней отделке и размерам А и В (рис. 3).

Для того чтобы правильно определить необходимый типоразмер, нужно определить расстояния в обе стороны от оси установки замка и учесть толщину декоративных накладок на профильный цилиндр.

Профильный цилиндр не должен выступать из накладки более, чем на 3 мм (рис. 4).

В противном случае резко снижаются противовзломные свойства двери, так как торец выступающей части, в котором расположены стальные стержни от высверливания, легко может быть спилен.






Видео по теме:



Средний рейтинг товара

5 на основании 0 отзывов

0% покупателей рекомендуют этот товар

Цилиндр профильный ELEMENTIS 45/45, 5 ключей, никелированный
Оцените товар*:
Рекомендуете ли Вы этот товар другим покупателям?
Да
Нет
Достоинства:
Недостатки:
Комментарий:*
ФИО*
Телефон*
Отзывы о товаре (0)
Доступные услуги
Укажите необходимые услуги в коментариях при оформлении заказа или закажите у менеджера по телефону.
БЕСПЛАТНАЯ ДОСТАВКА

Доставка осуществляется по г. Симферополь, Севастополь, Бахчисарай, Евпатория, Саки, Белогорск, Старый Крым, Феодосия, Джанкой, пгт. Красногвардейское, пгт. Октябрьское, пгт. Гвардейское, г. Алушта и Ялта.

При заказе от 1 до 749 руб. бесплатная доставка по указанным городам доставки не осуществляется, но есть возможность воспользоваться доставкой через транспортные компании в разделе Платная доставка.
При заказе от 750 до 5999 руб. осуществляется бесплатная доставка по городам доставки, при этом Клиент самостоятельно встречается с водителем на маршруте, оплачивает и получает заказ.
При заказе свыше 6000 руб. осуществляется бесплатная адресная доставка по городам доставки, по г. Симферополь - от 5000 руб. 
По г. Алушта, Ялта, Бахчисарай и Старый Крым возможность адресной доставки оговаривается с менеджером в зависимости от удаленности объекта от основного маршрута.

Выдача товара при бесплатной доставке осуществляется по коду из смс ранее верифицированного менеджером мобильного номера Клиента.

Доставка товаров, изготовленных по индивидуальным потребностям (колерованные лаки, краски, морилки, масла, патина и подоконники в размер) осуществляется по 100% предоплате.

Заявки на региональную доставку в следующий день принимаются до 15:00 текущего дня. Заявки, принятые после 15:00, переносятся на ближайшую дату доставки.

Город Ориентировочное
время выдачи
Место выдачи заказов
Севастополь с 9:00 до 9:30 5-ый километр (конечная троллейбусной остановки) – по четвергам
с 10:30 до 11:30 ТРЦ «Муссон» (в районе дома с шаром) – понедельник и четверг
с 12:00 до 13:00 ул. Правды, 16А (район Камышовой бухты)
Бахчисарай По предварительной
договоренности

В сторону Севастополя на АЗС Атан перед поворотом на дорогу Долинное-Орловка в 8 утра или после кольца в городе на АЗС Атан при движении в сторону Симферополя после 14-00. Время ориентировочное. 

Евпатория с 9:00 до 13:00 ул. 2-й Гвардейской Армии в районе памятника «полуторки»,
ул. Сытникова, 13
Саки с 14:00 до 16:00 Перед заправкой Атан в районе мечети и на площади возле ТК «Вечная стройка»
Керчь, Старый Крым По предварительной
договоренности
В зависимости от текущего маршрута водителя. На Коктебель выдача товара осуществляется за поворотом на Насыпное
Феодосия с 8-30 до 9-00 ул. Володарского, 37 (возле магазина «Супер Мастер»)
Кировское После 17-00 На трассе «Таврида» перед поворотом на Кировское
Алушта По предварительной договоренности Октябрьская, 36
Ялта По предварительной договоренности Изобильная, 11

Доставка осуществляется с 9:00 до 17:00.

Внимание! Доставка товаров осуществляется до подъезда заказчика. При заказе рекомендуем предоставить схему проезда к адресу доставки и указать несколько контактных номеров. Водитель имеет право отказать в адресной доставке в случае, если дорожные знаки, покрытие, деревья или ограждающие конструкции не позволяют проехать к месту назначения, существует риск застревания, поломки, порчи элементов автомобиля. При невозможности доставить заказ до подъезда, доставка выполняется до ближайшего возможного места разгрузки.

Товар отгружается только Клиенту, указанному в счете, либо по заверенной доверенности.

Доставка осуществляется только по точным адресам, содержащим данные: район, улица, номер дома/строения, квартира. Для территорий с ограниченным доступом доставка строго до первого пропускного пункта, подъезда и др.

Если время предварительного звонка не оговорено Клиентом заранее, экспедитор пытается связаться за 30-60 минут перед выездом к покупателю. В случае недозвона или отказа Клиентом от заказа, доставка отменяется или переносится в категорию самовывоза.

При получении товара Клиент расписывается в документах: товарная накладная ТОРГ-12, товарно-транспортная накладная, счет-фактура.

ПЛАТНАЯ ДОСТАВКА КУРЬЕРСКОЙ СЛУЖБОЙ

Доставка транспортной компанией

Доставка в населенные пункты, не перечисленные в разделе бесплатной доставки, осуществляется по тарифам транспортных компаний СДЭК, Энергия или Деловые Линии. Стоимость доставки оплачивается Клиентом при получении заказа. Отправка транспортными компаниями осуществляется после 100% оплаты за товар. Клиент вправе самостоятельно выбрать любую другую транспортную компанию, при этом самостоятельно решает вопросы по заказу и забору груза.

При заказе от 5000 руб. доставка товара до транспортной компании осуществляется бесплатно в течение 1-2 дней. В случае заказа на меньшую сумму, бесплатная доставка до транспортной компании осуществляется по мере накопления сборных заказов до общей суммы не менее 5000 руб.

Как правило, сборные заказы формируются в течение 1-2 недель, но мы всегда стараемся выполнить отправку в максимально короткий срок.

Стоимость срочной доставки до транспортной компании – 500 руб.

Подоконники, откосы, профиля, ЛКМ и ряд других товаров требуют дополнительную упаковку, как для хрупких или опасных грузов. Стоимость дополнительной упаковки определяется ТК.

Подробную информацию уточняйте у менеджеров выбранной транспортной компании.

САМОВЫВОЗ

Забрать скомплектованный заказ необходимо в течение 3 рабочих дней после подтверждения оплаты в офисе интернет-магазина по адресу: 

  • 295047, Республика Крым, г. Симферополь, пер. Химический, д.4

Внимание! Проверяйте комплектность товаров, наличие, соответствие заявленным техническим параметрам и прочее в момент передачи заказа до того, как распишетесь в документах.

Товары из этой категории